金沙澳门唯一官网

您好!欢迎来到金沙澳门唯一官网 !

收藏本站产品展示联系金沙澳门唯一官网24小时热线:155-30796-367
免费咨询热线:15530796367
金沙澳门唯一官网
联系方式Contact us
联系方式

全国服务热线:15530796367

Q Q:583883685

邮 箱:1340821763@qq.com

联系人:张经理

网 址:kaimac.com

地 址:河北省沧州市泊头市

    开发区

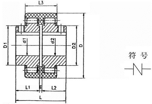
NL型尼龙内齿型联轴器图纸

品 牌:金沙澳门唯一官网
订货标记方法: 例如:NL4内齿弹性联轴器(键槽按GB3852-83标准) 主动轴:d1=38 L1=80 从动轴:d2=30 L21=50 表示为NL4:38···...
订购热线:155-30796-367
在线咨询
尼龙联轴器图纸

订货标记方法: 例如:NL4内齿弹性联轴器(键槽按GB3852-83标准) 主动轴:d1=38 L1=80 从动轴:d2=30 L21=50 表示为NL4:38×80/30×50(非标注明键槽尺寸)

型号公称扭矩
Tn (N.M)
许用转速n (r/min)主要尺寸 (mm)特大尺寸偏差惯性扭矩
(KgC m 2 )
重量
(Kg )
轴孔直径
d1 d2
轴孔 长度
L 1 L 2
LDD1
D2
EL3轴向(mm)径向(mm)角度α°
NL14060006 8 1016 20
25 32
37 45
55 69
40264342±0.30.250.85
12 14
NL2100600010 12 14 2225 32
42 52
57 71
91 111
42364402±0.40.921.7
16 18 20 24
NL3160600020 22 2452 62113
133
66444462±0.43.102.6
25 28
NL4250600028 30 3262 82129
169
83584482±0.48.693.6
35 38
NL5315500032 35 3882 112169
229
93684503±0.414.285.5
40 42
NL6400500040 42 4582 112230100684523±0.418.346.8
48
NL7630360045 48 5082 112229115804603±0.656.59.8
55
NL81250360048 50 55112 142229
289
140964723±0.698.5526.5
60 63 65
NL92000200060 63 65142 172295
351
1751246934±0.7370.537.6
70 71 75 80
NL103150180070 71 75 80142 172
212
292 352
432
22015781104±0.71156.855